Závady
Moderátor: Blue Lanos
Re: Závady
Měl jsem podobný problém, hodiny se opožďovaly o cca 5-10min někdy. Ptal jsem se na fóru tady a bylo mi doporučeno vypnout aktualizaci času podle RDS
Zatím vše v pohodě 
Moje: Chevrolet Cruze 1.6 LS+ Misty Lake, 17" origo chevy, K&N filtr
Tátovo: Chevrolet Orlando 1.8 LTZ, Smoke Grey
Tátovo: Chevrolet Orlando 1.8 LTZ, Smoke Grey
- Reklama
Re: Závady
Dík. Skúsim.
- Zdenek R6
- Příspěvky: 101
- Registrován: ned čer 06, 2010 21:09
- Bydliště: Olomouc
- Kontaktovat uživatele:
Re: Závady
K tomu pískání, opravdu je tam akustická signalizace. Je to plíšek, který neničí kotouč. teď jsem to měnil (po 71 tis km v taxíku
). Prý pokud destičky mají senzor klasický na přístrojovku, tak na to každý prdí, protože ví, že má rezervu. Tak ale desky vyměníš, protože se to nedá poslouchat. něco na tom bude 
Bílý Cruze 1,8 LT
Yamaha R1
Yamaha R6
MadAss
Opel Omega C
Yamaha R1
Yamaha R6
MadAss
Opel Omega C
Re: Závady
No mne sa vysuchali za 50t km....brzdim o 20t km silnejsie.....sssss....dost neekonomicke brzdenie mam.... 
Chevy Cruze Black´n´ Black 2.0 diesel power LTZ
- Doyle
- Příspěvky: 219
- Registrován: úte dub 10, 2012 13:02
- Bydliště: Brno - Vinohrady
- Kontaktovat uživatele:
Re: Závady
Tak je to i o té váze ne.. nevím teda jestli 1,8 benzin a 2,0 diesel maji stejne kotouče nicméně diesel je taky o nějaký to kilo těžší ne ...Kjub píše:No mne sa vysuchali za 50t km....brzdim o 20t km silnejsie.....sssss....dost neekonomicke brzdenie mam....
Cruze HB LT Plus, 1,6 91kW, Šedá Smoke Grey FOTO Cruze
Dříve:
Peugeot 205 XS 1,4 58kw ( 786kg ) = třídveřové letadlo FOTO 205
Peugeot 406 ST 1,8 16V 81kW / sedan FOTO 406

Dříve:
Peugeot 205 XS 1,4 58kw ( 786kg ) = třídveřové letadlo FOTO 205
Peugeot 406 ST 1,8 16V 81kW / sedan FOTO 406

Re: Závady
Mám staro novú závadu pre vysvetlenie stará pre mňa lebo ma to štve už dáky ten rok a nová tu na fóre lebo som to tu nenašiel. Popis závady je že odozva motora na plynový pedál je buď spomalená alebo žiadna. Auto ide ale nie tak ako by malo ísť. Ťažko sa to vysvetluje ale mám pocit akoby motor nevyužíval plný výkon. Málokto z Vás má tú možnosť ako ja porovnávať dve skoro totožné autá sestra má Cruza 1,6 83kW 12/2009 ja mám 1,6 83kW 11/2010 čiže motor prevodovka všetko je tam rovnaké ale jej auto ide o poznanie lepšie je v tom asi taký rozdiel ako medzi felíciou a superbom. V servise na diagnostike neukazuje žiadnu chybu. Naozaj netuším príčinu ale vždy keď musím ísť sestriným autom ma vytáča do nepríčetnosti tá ľahkosť a plynulosť pri zrychlovaní a celkový chod motora, prevodovky a podobne 
Biely Cruze 1.6 LS PLUS
- Dimco Nubira 97
- Příspěvky: 903
- Registrován: pon úno 08, 2010 14:49
- Bydliště: Trnava
Re: Závady
Niečo môže byť pripchaté, preventívne vyskúšaj vymeniť palivový filter a daj do benzínu buď aditívum alebo natankuj jednu nádrž shell v-power racing či to nepomôže
Aditíva čo som ja odskúšal : VIF Benzin aditiv - na dlhodobé používanie
a STP injector cleaner aditiv, to je len raz za čas, silný koncetrát na prečistenie vstrekov, tu som spozoroval markantný tozdiel pri použití
Aditíva čo som ja odskúšal : VIF Benzin aditiv - na dlhodobé používanie
a STP injector cleaner aditiv, to je len raz za čas, silný koncetrát na prečistenie vstrekov, tu som spozoroval markantný tozdiel pri použití
Daewoo Nubira 1.6 SX 106hp :)
Otieckova Epica 2.0 VCDI 110kW v mojom užívaní aby ste ma toľko nehanili :D
Seat LEON 1.4 TSI
Otieckova Epica 2.0 VCDI 110kW v mojom užívaní aby ste ma toľko nehanili :D
Seat LEON 1.4 TSI
Re: Závady
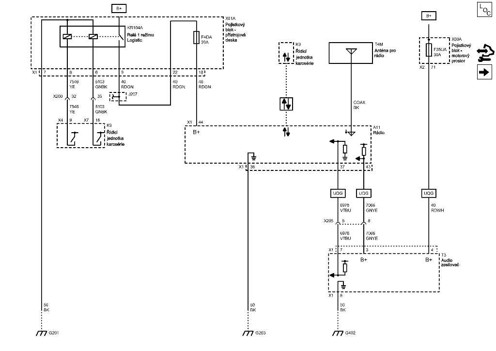
Skúsil som a nepomohlo. Napadla ma taká somarina, nemá náhodou ten displej,resp. rádio v sebe nejakú batériu napr. CR3032, ako to býva v elektronike(kamera,video...) aby udržal v sebe čas aj keď je vypnutý. V schémach som našiel iba to, že rádio je napojené na nejaké napájanie B+ (asi autobatéria). Mohol by sa na to pozrieť Honza72, ten je frajer cez elektriku.denny píše:Měl jsem podobný problém, hodiny se opožďovaly o cca 5-10min někdy. Ptal jsem se na fóru tady a bylo mi doporučeno vypnout aktualizaci času podle RDSZatím vše v pohodě
Re: Závady
Tak 1.: radio se opravdu odpojuje od baterie (po 10min od OFF IGN), jestli je čas zálohován baterií nebo spíše vysokokapacitním kondenzátorem (řádově Farady) zjistit ze schémat nejde, spíš by pomohlo to kuchnout, když to někdo přehazuje na ty DVD serepetičky, určitě něčím ten čip času musí být napájen, to je pravda, protože to schéma, co jsi sem dal, je s tím zesilovačem v kufru, ale já ho třeba nemám, protože mám repro jen vpředu a zpětné vedení +BAT není...
2. mě opravdu pomohlo jedině vypnout synchro času z RDS, už jsem to psal někde v roce 2010, protože naši vysílatelé rádia, u Vás to asi nebude lepší, moc nevysílají správný ATOMOVÝ čas v RDS, takže se mi stávalo, že jsem přepnul na stanici, kde se čas opravil, pak za chvíli jinam a byl zase KO. Dokonce jsem někdy v r. 2010 drbal náš rozhlas, jmenovitě Radiožurnál, protože to celkem šlo, ale pak se to zvenclo a synchro bylo v dupě, ale žádná reakce, tak nevím,
3. jediný spolehlivý synchronizátor byl, nebo je RADIO Zet z PL, ale to mě více méně nebaví, po přepnutí na Kiss, Evropu, aj. se to zase rozhodilo, takže to nechávám nastaveno jak je a dvakrát ročně, při přechodu času, sešteluju.
2. mě opravdu pomohlo jedině vypnout synchro času z RDS, už jsem to psal někde v roce 2010, protože naši vysílatelé rádia, u Vás to asi nebude lepší, moc nevysílají správný ATOMOVÝ čas v RDS, takže se mi stávalo, že jsem přepnul na stanici, kde se čas opravil, pak za chvíli jinam a byl zase KO. Dokonce jsem někdy v r. 2010 drbal náš rozhlas, jmenovitě Radiožurnál, protože to celkem šlo, ale pak se to zvenclo a synchro bylo v dupě, ale žádná reakce, tak nevím,
3. jediný spolehlivý synchronizátor byl, nebo je RADIO Zet z PL, ale to mě více méně nebaví, po přepnutí na Kiss, Evropu, aj. se to zase rozhodilo, takže to nechávám nastaveno jak je a dvakrát ročně, při přechodu času, sešteluju.
Mitsubishi Lancer Sportsedan 1,6 MIVEC
Ex. Cruze, Kalos, Nexia
--------------------------------------
Ex. Cruze, Kalos, Nexia
--------------------------------------
Re: Závady
Ďakujem Honzo !!! Som vedel že si kabrňák a nesklameš. Je pravda že zopár ľudí tu už dávalo do Cruza to čínske DVD. Možno si to niekedy niekto prečíta.
Čo sa týka toho RDS, tak mi je hlavne divné to, že by to začalo robiť len tak, pre nič za nič po troch rokoch.
Vždy som to mal nastavené na synchro cez RDS. Pochybujem že by sa niečo udialo s RDS na tých dvoch staniciach čo počúvam.
Čo sa týka toho RDS, tak mi je hlavne divné to, že by to začalo robiť len tak, pre nič za nič po troch rokoch.
Vždy som to mal nastavené na synchro cez RDS. Pochybujem že by sa niečo udialo s RDS na tých dvoch staniciach čo počúvam.
Re: Závady
No já nevím, co by se mohlo stát s RDS během let, ale mě to opravdu začlo blbnout až v r. 2010, cca po roce používání. A jak jsem psal, opravdu se v mém případě jedná o nekorektní data času v RDS, protože jsou stanice, které to sesynchronizují správně a některé to rozhodí a tak stále dokola.
Nicméně, musím s lítostí konstatovat, že i tak jsme min. sto let pozadu, protože i v té pitomé "emerice" Cruze přijímá digitální satelitní rozhlas DAB, přičemž tam mají stovky stanic bez blbých keců a jen hrají.... Samo, že má Cruze i jiný soubor antén a jiný modul rádia, ale musí to být bomba!
Nicméně, musím s lítostí konstatovat, že i tak jsme min. sto let pozadu, protože i v té pitomé "emerice" Cruze přijímá digitální satelitní rozhlas DAB, přičemž tam mají stovky stanic bez blbých keců a jen hrají.... Samo, že má Cruze i jiný soubor antén a jiný modul rádia, ale musí to být bomba!
Mitsubishi Lancer Sportsedan 1,6 MIVEC
Ex. Cruze, Kalos, Nexia
--------------------------------------
Ex. Cruze, Kalos, Nexia
--------------------------------------
Re: Závady
DAB by mali mať všetci tí, čo majú CD400 a CD500... napr. Orlando LT+, LTZ, podobne Cruze...
Aspoň toľko múdra knižka...
Aspoň toľko múdra knižka...
Chevrolet Orlando LT benzín, olympic white
EAGLE SQUADRON
Portal-Orlando-Forum.de ( premium Mitglied )
EAGLE SQUADRON
Portal-Orlando-Forum.de ( premium Mitglied )
Re: Závady
No, ale záleží na pásmu, jestli z terestriky nebo ze satelitu LEO....
Mitsubishi Lancer Sportsedan 1,6 MIVEC
Ex. Cruze, Kalos, Nexia
--------------------------------------
Ex. Cruze, Kalos, Nexia
--------------------------------------
Re: Závady
Chevrolet Orlando LT benzín, olympic white
EAGLE SQUADRON
Portal-Orlando-Forum.de ( premium Mitglied )
EAGLE SQUADRON
Portal-Orlando-Forum.de ( premium Mitglied )
Re: Závady
Mám delikátny problém so zamrzaním predného skla zvnutra. Ako keď sa mi to stalo prvý krát tak pochopím, klímoval som ako divý, prišiel som domov, odstavil auto a do rana to bolo zamrznute. Ale pomaly ma začína srať, že mi to zamrza vždy keď je vonku pod -5 a mrzne aj predné sklo. Rady typu, že tam mám vodu atd asi nie sú na mieste, kedže tam mám sucho a pred parkovaním kus vyvetrám cez okná a nakonci cez dvere. Mám to reklamovať alebo neuspejem ? lebo ma trošku mrzí, že na tak drahom aute, si pripadám jak na š100. Dík za názory 