Packa svetiel
Napsal: úte črc 24, 2012 08:51
Zdravím Vás,
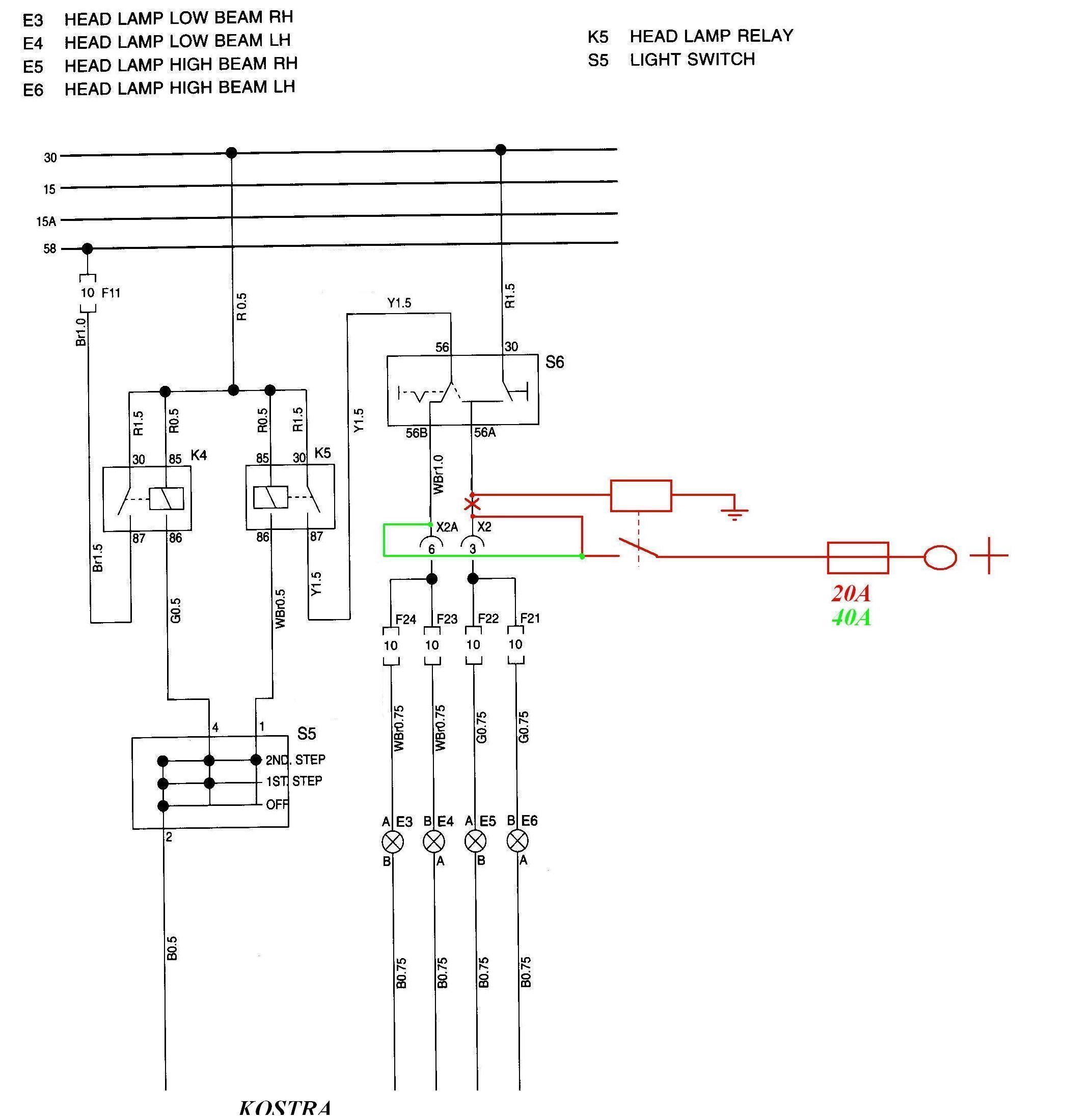
Stala sa mi nasledovná vec, páčka z ktorou prepínam tlmené a diaľkové svetlá sa nejako "zasekla" a po zapnutí svetiel svietia automaticky diaľkové svetlá. Nič by na tom nebolo ak by sa to dialo vždy (bezpochyby by som ju menil). Ono sa to deje až povedzme po hodine jazdy, kedy sa ten kontakt asi nahreje a spustí diaľkové svetlá. V prípade že ju držím jemne smerom k vodičovi, všetko je v poriadku.
Chcel by som sa Vás preto opýtať, je možné tú páčku nejako opraviť ? Kedže všetko funguje ako má až na ten problém, alebo je to nerozoberatelné, tj. rozoberiem a rozsype sa to, takže zháňať račej novú ?! ... ak je len malá šanca, spraviť do doma, rád sa z tým pohrám ...
Ďakujem
Stala sa mi nasledovná vec, páčka z ktorou prepínam tlmené a diaľkové svetlá sa nejako "zasekla" a po zapnutí svetiel svietia automaticky diaľkové svetlá. Nič by na tom nebolo ak by sa to dialo vždy (bezpochyby by som ju menil). Ono sa to deje až povedzme po hodine jazdy, kedy sa ten kontakt asi nahreje a spustí diaľkové svetlá. V prípade že ju držím jemne smerom k vodičovi, všetko je v poriadku.
Chcel by som sa Vás preto opýtať, je možné tú páčku nejako opraviť ? Kedže všetko funguje ako má až na ten problém, alebo je to nerozoberatelné, tj. rozoberiem a rozsype sa to, takže zháňať račej novú ?! ... ak je len malá šanca, spraviť do doma, rád sa z tým pohrám ...
Ďakujem