Stránka 1 z 1
stretavacie svetla
Napsal: sob led 26, 2013 00:59
od deffri
Dobry den, naskytol sa mi problem so svetlami. Prisiel som domov, svetla svietili, vypnem motor, svetla idem domov. O 20 minut, ked odchadzam, zapnem motor, svetla a svetla zrazu nesvietili, ani jedno. Skusil som prepnut na dialkove -> tie svietili.
Pozeral som tu rady ohladom svetla, ale nezda sa mi, ze by to bolo v packe ani v poistkach a ani v relatku, lebo vsetko je v poriadku, teda aspon relatko a poistky.
A je mi dost divne, zeby sa to niak spalilo v tejto zime.
Dakujem za rady, jedna sa o chevrolet HB 1,4 7/05.
Re: stretavacie svetla
Napsal: sob led 26, 2013 01:47
od slidil
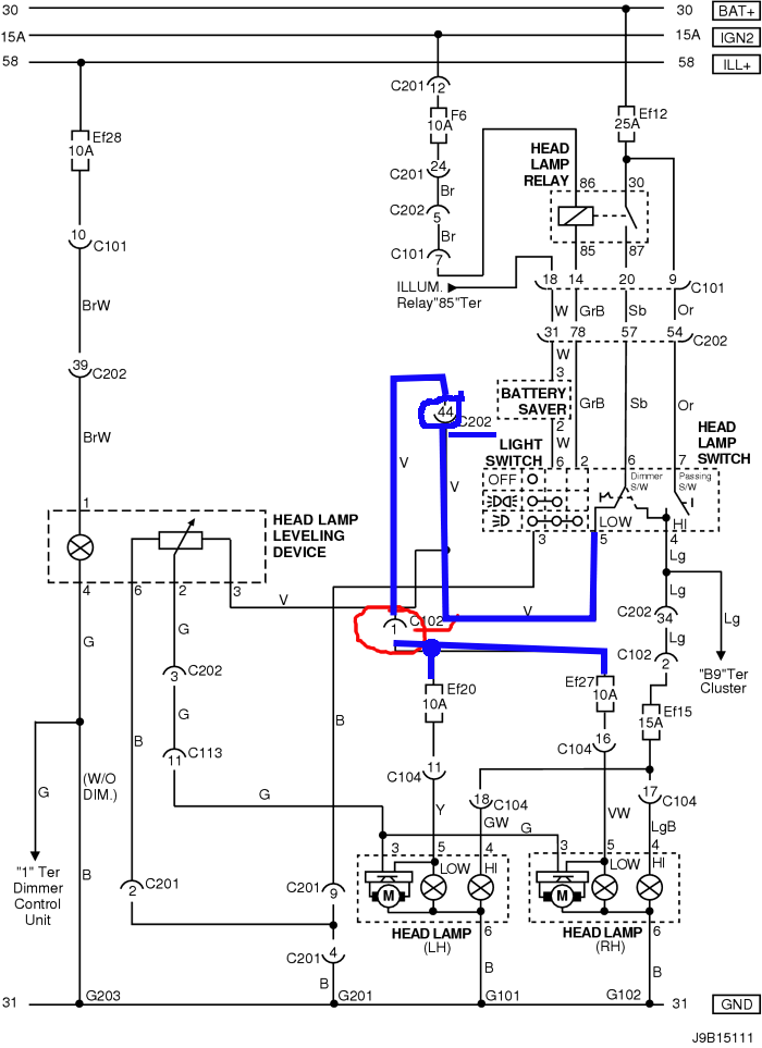
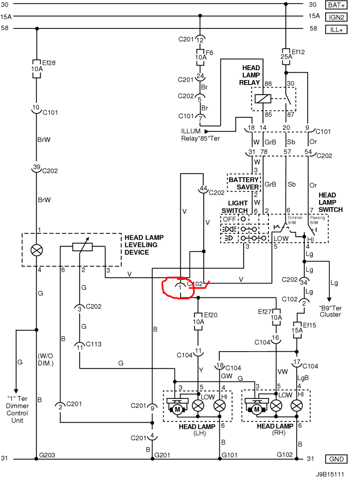
No pokud jseš si jistej, že to není rele, přepínač, ani pojistka, tak by to mohl být tenhle kontakt v konektoru C102. Pak už jdou dál dráty ke každýmu světlu sólo. To už by byla velká náhoda aby odešli obě světla naráz. (ale to schema je na Lacetti HB 2009, nevím jestli je stejný..)
Re: stretavacie svetla
Napsal: sob led 26, 2013 01:59
od slidil
Jinak ještě zkontroluj, jestli ti jdou naklápět světla. pokud ne-e, tak by to mohl být ještě kontakt č.44 v konektoru C202 (modrý kroužek)
Re: stretavacie svetla
Napsal: sob led 26, 2013 02:00
od deffri
no tomuto moc nechapem, kazdopadne to niekomu ukazem, co tomu lepsie rozumie, mne sa na to pozrel sused, otvorili sme skrinku s poistkami pri motore a ked som otocil svetlami, tak pocul niaky zvuk v tej poistnej skrinke ako keby tam isiel niaku prud. Povedal, ze mam skusit kupit nove ziarovky, ale aj tie pozrel a boli v pohode, ja sa moc v tychto technickych veciach nevyznam :/
-> 2 obrazok no ak myslis nastavenie vysky svetiel ani to nereaguje, bezne som pocul ten motorcek, teraz uz nie, ak myslis daco ine, tak potom neviem co
Re: stretavacie svetla
Napsal: sob led 26, 2013 02:12
od slidil
JJ, přesně. Pokud ti svítí dálkové světla ale nejde ti nastavení výšky světel, a potkávačky, tak je to někde na tý modrý cestě. Nebo máš vypálený přepínač světel.
Jinak doplň si bydliště do profilu, třeba někdo zjistí, že bydlí v "sousedství"a pomůže ti.

Re: stretavacie svetla
Napsal: sob led 26, 2013 02:19
od slidil
Ještě, jak vypadá přepínač světel v Lacetti ?
Pokud je to tenhle, a měl by si ho pryč, tak mám jeden volnej.
Re: stretavacie svetla
Napsal: sob led 26, 2013 10:31
od deffri
no vyzera presne tak

, Bratislava
Re: stretavacie svetla
Napsal: stř led 30, 2013 19:43
od deffri
Problem vyrieseny, na dalsi den svetla zacali normalne svietit. Snad sa to uz nebude opakovat

Re: stretavacie svetla
Napsal: sob úno 02, 2013 16:43
od miquel11
Ahoj, měl jsem uplně stéjný problém. Světla někdy svítili a jindy zase ne, takže pokud to nenecháš opravit, tak tě to bude zlobit furt, i když jak se může zdát, že už fungují tak se problém opět naskytne. U mě byl to byl problém s kabeláží, kamarád mi tam napojil nové kabely a relátko a vše funguje jak má. Pokud zajedeš do servisu tak ti to taky určitě udělájí, když jsem se ptal tak prý poměrně běžný problém s opravou cca 500Kč.
Re: stretavacie svetla
Napsal: pát črc 18, 2014 14:55
od Milan7
Měl jsem stejný problém, najednou přestala svítit potkávací světla, něšla dálková. Též svítila kontrolka motoru.
Podle zde uveřejněného schématu jsem se snažil najít vodič který vede k přepínači světel u volantu č.57. Na něj totiž nešlo napětí z relé.
V elektroschématu to není zakresleno, ale pod přístrojovou deskou (tachometrem) který se musí demotovat je vzadu umístěná plastová svorkovnice. (svorkovnice je vidět až na plánu kabeláže- označení cluster) Je dvojitá a byla vyhořelá. Pro uvolnění se musí vypáčit šroubovákem.
Nahradil jsem tuto svorkovnici dvěma WAGO svorkami a sice pro slaněné vodiče jedna pro 3 dráty a jedna pro 6 drátů.
Patrně to bude častá závada. Proto to sem dávám, hledal jsem to celé dopoledne.