Automatické zapínání klimatizace při ofukování předního skla
Moderátor: Blue Lanos
Automatické zapínání klimatizace při ofukování předního skla
Prevzal som túto tému od kolegov zo sekcie AVEO. viď: https://www.chevroletclub.cz/viewtopic.php?f=79&t=14521
Šikovným chlapom sa tam podarilo úspešnea jednoducho tento "problém" vyriešiť (pozri str.14). Nechcem aby sa to tu zvrhlo na to či je to dobrá alebo zlá funkcia, lebo všetko podstatné bolo už popísané pri Aveu. Túto funkciu má aj Cruze a nebolo by zlé mať možnosť rozhodnúť sa či mi bude na okno fúkať klíma alebo nie. Ja by som do toho aj išiel, ale nemám ani potuchy o elektrike, schémach a ako to funguje.
Otázka znie: Išlo by to nejakým spôsobom urobiť aj na Cruzovi ? Kto sa na to odhodlá?
Šikovným chlapom sa tam podarilo úspešnea jednoducho tento "problém" vyriešiť (pozri str.14). Nechcem aby sa to tu zvrhlo na to či je to dobrá alebo zlá funkcia, lebo všetko podstatné bolo už popísané pri Aveu. Túto funkciu má aj Cruze a nebolo by zlé mať možnosť rozhodnúť sa či mi bude na okno fúkať klíma alebo nie. Ja by som do toho aj išiel, ale nemám ani potuchy o elektrike, schémach a ako to funguje.
Otázka znie: Išlo by to nejakým spôsobom urobiť aj na Cruzovi ? Kto sa na to odhodlá?
- Reklama
Re: Automatické zapínání klimatizace při ofukování předního
Das auto Cruze má vše digitální. Panel jen pošle povel stisku tlačítka, počítač to zaregistruje, pošle to na výkonou část a jiným kanálem rozsvítí LEDku v tlačítku. Po opětovném stisku se to opakuje, jen s tím rozdílem, že se funkce vypne. Co a jak se kombinuje je dáno programem v jednotlivých kabinových a motorových jednotkách. Takže - jedině přes diagnostiku....
Dokonce i přepínače nemáme s jednotlivými vývody, pouze se volí řada odporů, ty pak posílají rozdílné napětí do příslušného JEDINÉHO vstupu daného ovladače a počítač to naskenuje a dle napětí pozná jakou funkci má zvolit (blinkry, světla, topení, klima....).
Dokonce i přepínače nemáme s jednotlivými vývody, pouze se volí řada odporů, ty pak posílají rozdílné napětí do příslušného JEDINÉHO vstupu daného ovladače a počítač to naskenuje a dle napětí pozná jakou funkci má zvolit (blinkry, světla, topení, klima....).
Mitsubishi Lancer Sportsedan 1,6 MIVEC
Ex. Cruze, Kalos, Nexia
--------------------------------------
Ex. Cruze, Kalos, Nexia
--------------------------------------
Re: Automatické zapínání klimatizace při ofukování předního
Ja som strateny... Ide tu o to, ze ked si zapnete ofuk predneho skla, tak sa automaticky zapne autoklima?
Chevy Cruze Black´n´ Black 2.0 diesel power LTZ
Re: Automatické zapínání klimatizace při ofukování předního
Áno o to tu ide. Bavíme sa o mechanickej klíme. Ja som zasa stratený z toho čo napísal honza72. Zjavne sa tomu na rozdiel odo mňa rozumie a tak považujem moje otázky za zodpovedané. Nechám to teda zatiaľ tak ako to je. 
Re: Automatické zapínání klimatizace při ofukování předního
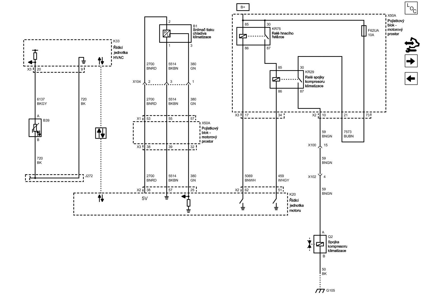
Tady je vidět, jak je ovl. např. spojka kompresoru klimy - vše jde z řídící jednotky a panel HVAC je na datové sběrnici.
- Přílohy
-
- ovl-komp-klima-cruze.jpg
- (188.43 KiB) Staženo 665 x
Mitsubishi Lancer Sportsedan 1,6 MIVEC
Ex. Cruze, Kalos, Nexia
--------------------------------------
Ex. Cruze, Kalos, Nexia
--------------------------------------
Re: Automatické zapínání klimatizace při ofukování předního
Re: Automatické zapínání klimatizace při ofukování předního
Ten nakres pomohol
Tak sem sa uz asi nezapojim...
Ale mne to ofuk nerobi, ked chcem zapnem co chcem a ako chcem... Budem sem chodit len aby som kukol dalsie pripadne nakresy, vykresy a nacrty.
Ale mne to ofuk nerobi, ked chcem zapnem co chcem a ako chcem... Budem sem chodit len aby som kukol dalsie pripadne nakresy, vykresy a nacrty.
Chevy Cruze Black´n´ Black 2.0 diesel power LTZ
Re: Automatické zapínání klimatizace při ofukování předního
Pokud Vám jde o to, aby foukalo na přední sklo bez klimy, tak vypněte klimu, dejte max otáčky ventilátoru a nastavte foukání na přední sklo... stačí nepoužívat to speciální tlačítko, protože to mimo mrazy klimu zapne vždy 
černý Cruze 1,8 LT
Re: Automatické zapínání klimatizace při ofukování předního
Nerozumím tomu speciální tlačitko, které že mimo mrazy zapne klimu vždy.topa77 píše:Pokud Vám jde o to, aby foukalo na přední sklo bez klimy, tak vypněte klimu, dejte max otáčky ventilátoru a nastavte foukání na přední sklo... stačí nepoužívat to speciální tlačítko, protože to mimo mrazy klimu zapne vždy
Já buď nastavím že mi to fouka kam chci a jak silně chci bez toho aby se zapla klíma (tlačítko klimatizace je vypnutý-nesvítí).
Nebo nastavím foukaní kam chci a ktomu zapnu klímatizaci (tlačitko s vzorem sněhový vločky zapnuté-svítí)
Nevím jaké speciální tlačítko máš na mysli, že se zapína klimatizace automaticky.
Carthell Prg
Re: Automatické zapínání klimatizace při ofukování předního
Myslím to tlačítko co je vpravo od tlačítka AUTO, nad tlačítkem s vločkou. Podle manuálu se to jmenuje: Odstranění zamlžení a námrazy z oken
Po jeho stlačení jde všechen vzduch na přední sklo, ventilátor na max. a mám pocit, že se při tom zapne i klima... a pokud se nepletu, tak to tady řeší...
černý Cruze 1,8 LT
Re: Automatické zapínání klimatizace při ofukování předního
Jak píše Iacobus on má 1.6 LS, nevím jak to oni mají už se nepamatuji ale 1.8 LT má tlačítko AUTO.
Myslím že 1.6 to nemají a tudíš nevím posoudit jestli se mu při nějaký volbě zapína automaticky i klimatizace.
Myslím že ta klimatizace v autě 1.6 funguje jenom při zapnutí tlačítka s vločkou jinák by se klíma asi zapnout neměla.
Myslím že 1.6 to nemají a tudíš nevím posoudit jestli se mu při nějaký volbě zapína automaticky i klimatizace.
Myslím že ta klimatizace v autě 1.6 funguje jenom při zapnutí tlačítka s vločkou jinák by se klíma asi zapnout neměla.
Carthell Prg
Re: Automatické zapínání klimatizace při ofukování předního
Otázka na Iacobus, tobě se při zapnutí tlačítka ofuku čelního skla zapne i tlačítko klimatizace?
Carthell Prg
Re: Automatické zapínání klimatizace při ofukování předního
Nebo s čeho vycházíš še se zapína klima automaticky.
Carthell Prg
Re: Automatické zapínání klimatizace při ofukování předního
Empiricky to zjistíme
nemrzne, tak to odpoledne až pojedu domů zkusím 
černý Cruze 1,8 LT
Re: Automatické zapínání klimatizace při ofukování předního
Pánové nedalo mi to a musim napsat.SIC TO UŽ NĚKOD VYSVĚLOVAL.
U vozidel s Automat. klim jsou nasledujici tlačítka:
1. Rozmrazení (odmlžení zadniho okna) .Po stlačení se rozmrazuje zadní okno a ZRCÁTKA.
V menu PC lze nastavit automaticke rozmraženi zadniho skla na ON nebo OF.
Pokud ON - a je zamlženo zadní okno nastartujete hned se to začně autom. odmlzovat rozmražovat.
Pokud mate v menu PC auta nastaveno OF tak si to zap. sami podle uvážení tlačítkem.
2. AUTO( atomaticky se zapne klima podle toho jak jste si ji nastavili v MENU PC - rychlost vetraku a teplotu.
Regulaci teploty a vetráku lze upravovat.
3. Tlačítko debatované je rychlé omlžení a rozmražení.
- Někdo si to hold plete s tlačítkem co ovláda klapku aby vám to foukalo jen na sklo.
Tohle tlačítko funguje s klimou : Musí protože klimou se upravuje v aute vlhkost vzduchu a tim se to i lepe odmlzuje.
Tudiš se vždy zapne klima.Rychle se tim odstrani vlhkost a tim dojde k rychlemu odmlžení a rozmrznuti skla
(v zimě neni potřeba z venčí škrabat čelni sklo.) Když ho stisknete a nastavite teplotu na HI a větrak na plno sklo je hned odmrazene a odmlžené.
4.Tlačítkem MODE - nastavíte kam to bude foukat ( ovládate klapky ).
A pokud nezapnete klimu tak vam do auta fouka vzduch z venčí studenej nebo po nastaveni teploty na HI horkej od motoru. Tak jako u aut bez klim. mate jendo tlačitko na teplotu vzduchu a na rychost větráku pokud nemate ohratej motor tak na vas stejne funi studenej vzduch. Pokud je venku v lete 28 a mate sice teplotu na studeno tak na vas stejene bude funet takova teplota co je venku.
Vysvetlil jsem to dost tupe ale snad každe chápe.
U vozidel s Automat. klim jsou nasledujici tlačítka:
1. Rozmrazení (odmlžení zadniho okna) .Po stlačení se rozmrazuje zadní okno a ZRCÁTKA.
V menu PC lze nastavit automaticke rozmraženi zadniho skla na ON nebo OF.
Pokud ON - a je zamlženo zadní okno nastartujete hned se to začně autom. odmlzovat rozmražovat.
Pokud mate v menu PC auta nastaveno OF tak si to zap. sami podle uvážení tlačítkem.
2. AUTO( atomaticky se zapne klima podle toho jak jste si ji nastavili v MENU PC - rychlost vetraku a teplotu.
Regulaci teploty a vetráku lze upravovat.
3. Tlačítko debatované je rychlé omlžení a rozmražení.
- Někdo si to hold plete s tlačítkem co ovláda klapku aby vám to foukalo jen na sklo.
Tohle tlačítko funguje s klimou : Musí protože klimou se upravuje v aute vlhkost vzduchu a tim se to i lepe odmlzuje.
Tudiš se vždy zapne klima.Rychle se tim odstrani vlhkost a tim dojde k rychlemu odmlžení a rozmrznuti skla
(v zimě neni potřeba z venčí škrabat čelni sklo.) Když ho stisknete a nastavite teplotu na HI a větrak na plno sklo je hned odmrazene a odmlžené.
4.Tlačítkem MODE - nastavíte kam to bude foukat ( ovládate klapky ).
A pokud nezapnete klimu tak vam do auta fouka vzduch z venčí studenej nebo po nastaveni teploty na HI horkej od motoru. Tak jako u aut bez klim. mate jendo tlačitko na teplotu vzduchu a na rychost větráku pokud nemate ohratej motor tak na vas stejne funi studenej vzduch. Pokud je venku v lete 28 a mate sice teplotu na studeno tak na vas stejene bude funet takova teplota co je venku.
Vysvetlil jsem to dost tupe ale snad každe chápe.
- Přílohy
-
- ttr.jpg (38.83 KiB) Zobrazeno 11809 x