18lukin18 - Aveo a jeho úprava

Moderátoři: Blue Lanos, Scorpion.11, lomngi

Odpovědět
Uživatelský avatar
lomngi
Příspěvky: 4540
Registrován: čtv bře 19, 2009 09:19
Bydliště: okr.Galanta . Slovensko

Re: 18lukin18 - Aveo a jeho úprava

Příspěvek od lomngi »

no super.. už to mám doma aj ja .Ešťe si nájsť čas na namontovanie
:PP:
Aveo sedan 1.2 16 V
2DIN rádio -7" obrazovka, , cúvacia kamera,
handsfree, cúvacie senzory,
GPS, tmavé fólie, interier - Red and Black.
exterier podsvietený

Aveaci pridajte sa a rozšírte aveofanclubb


Kód: Vybrat vše

http://aveofanclub-sk.webnode.sk/o-nas
Reklama
 

Uživatelský avatar
18lukin18
Příspěvky: 6140
Registrován: pát led 14, 2011 13:06
Bydliště: Aachen

Re: 18lukin18 - Aveo a jeho úprava

Příspěvek od 18lukin18 »

ve dne to bohužel není vidět, ale ve tmě to je mazec -i -i -i
Škoda 120
Škoda Felicia LPG
Renault Thalia 1,2 16V 2009
Chevrolet Spark
Chevrolet Aveo 1,2 16V,2009 (člen AVEO FANCLUBU)
Mitsubishi Lancer X SportBack 1.8 MiVec Invite
Carthell Prg
Uživatelský avatar
ladinek
Příspěvky: 6585
Registrován: úte srp 04, 2009 19:49
Bydliště: Brno

Re: 18lukin18 - Aveo a jeho úprava

Příspěvek od ladinek »

kolik to stojí? kde to maj? ebay?
Aby zlo zvítězilo, stačí, když slušní lidé nedělají nic.
Edmund Burke

[color=#FF0000]Chevrolet Aveo 1,4, 101hp, 74 kw [/color]
Uživatelský avatar
18lukin18
Příspěvky: 6140
Registrován: pát led 14, 2011 13:06
Bydliště: Aachen

Re: 18lukin18 - Aveo a jeho úprava

Příspěvek od 18lukin18 »

ano ebay, v přepočtu na naše cca 200,- :D
Škoda 120
Škoda Felicia LPG
Renault Thalia 1,2 16V 2009
Chevrolet Spark
Chevrolet Aveo 1,2 16V,2009 (člen AVEO FANCLUBU)
Mitsubishi Lancer X SportBack 1.8 MiVec Invite
Carthell Prg
Uživatelský avatar
ladinek
Příspěvky: 6585
Registrován: úte srp 04, 2009 19:49
Bydliště: Brno

Re: 18lukin18 - Aveo a jeho úprava

Příspěvek od ladinek »

Lukine můžeš to ještě odjednat? Peníze bych ti poslal předem na účet :shock: Tady to stojí asi 5x tolik na aukru.
Aby zlo zvítězilo, stačí, když slušní lidé nedělají nic.
Edmund Burke

[color=#FF0000]Chevrolet Aveo 1,4, 101hp, 74 kw [/color]
Uživatelský avatar
18lukin18
Příspěvky: 6140
Registrován: pát led 14, 2011 13:06
Bydliště: Aachen

Re: 18lukin18 - Aveo a jeho úprava

Příspěvek od 18lukin18 »

Ano Ládi není problém,proto jsem to objednával přes ebay -i
Škoda 120
Škoda Felicia LPG
Renault Thalia 1,2 16V 2009
Chevrolet Spark
Chevrolet Aveo 1,2 16V,2009 (člen AVEO FANCLUBU)
Mitsubishi Lancer X SportBack 1.8 MiVec Invite
Carthell Prg
Uživatelský avatar
ladinek
Příspěvky: 6585
Registrován: úte srp 04, 2009 19:49
Bydliště: Brno

Re: 18lukin18 - Aveo a jeho úprava

Příspěvek od ladinek »

-i díky :PP:
Aby zlo zvítězilo, stačí, když slušní lidé nedělají nic.
Edmund Burke

[color=#FF0000]Chevrolet Aveo 1,4, 101hp, 74 kw [/color]
Uživatelský avatar
18lukin18
Příspěvky: 6140
Registrován: pát led 14, 2011 13:06
Bydliště: Aachen

Re: 18lukin18 - Aveo a jeho úprava

Příspěvek od 18lukin18 »

Je to sice trošku mázlé ale v nedělu nám padla další tisícovka :D :D (těch tisíc km bylo za cca 6 dnů :mrgreen: )
DSC_0432.jpg
Škoda 120
Škoda Felicia LPG
Renault Thalia 1,2 16V 2009
Chevrolet Spark
Chevrolet Aveo 1,2 16V,2009 (člen AVEO FANCLUBU)
Mitsubishi Lancer X SportBack 1.8 MiVec Invite
Carthell Prg
Uživatelský avatar
18lukin18
Příspěvky: 6140
Registrován: pát led 14, 2011 13:06
Bydliště: Aachen

Re: 18lukin18 - Aveo a jeho úprava

Příspěvek od 18lukin18 »

Tak a máme další 1000 km za sebou :D :D
DSC_0456.jpg
Škoda 120
Škoda Felicia LPG
Renault Thalia 1,2 16V 2009
Chevrolet Spark
Chevrolet Aveo 1,2 16V,2009 (člen AVEO FANCLUBU)
Mitsubishi Lancer X SportBack 1.8 MiVec Invite
Carthell Prg
Uživatelský avatar
ladinek
Příspěvky: 6585
Registrován: úte srp 04, 2009 19:49
Bydliště: Brno

Re: 18lukin18 - Aveo a jeho úprava

Příspěvek od ladinek »

A jak na tom je repro? Už vyhrává?? :PP: Tak jk má, přes výhybku a obě strany? :D
Aby zlo zvítězilo, stačí, když slušní lidé nedělají nic.
Edmund Burke

[color=#FF0000]Chevrolet Aveo 1,4, 101hp, 74 kw [/color]
Uživatelský avatar
18lukin18
Příspěvky: 6140
Registrován: pát led 14, 2011 13:06
Bydliště: Aachen

Re: 18lukin18 - Aveo a jeho úprava

Příspěvek od 18lukin18 »

Potřeboval co nejdříve radu,moc prosím.
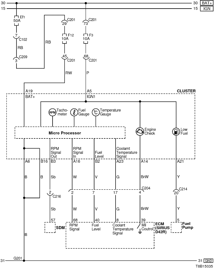
Má kontrolka paliva (ta oranžová na přístrojovce) samostatnou pojistku :?: :?: nebo jen praskla žárovička :?: :?:
Pěkně mě to tetka vypeklo :twisted: :twisted:

Předem děkuji za radu -i -i
Škoda 120
Škoda Felicia LPG
Renault Thalia 1,2 16V 2009
Chevrolet Spark
Chevrolet Aveo 1,2 16V,2009 (člen AVEO FANCLUBU)
Mitsubishi Lancer X SportBack 1.8 MiVec Invite
Carthell Prg
Uživatelský avatar
slidil
Příspěvky: 1126
Registrován: pon úno 06, 2012 22:04
Bydliště: Koštice, okr. Louny

Re: 18lukin18 - Aveo a jeho úprava

Příspěvek od slidil »

Samostatnou pojistku nemá je společná pro kontrolky paliva, Engine check, a pro palivoměr, ukazatel teploty, a asi i tachometr.

Chce to nejezdit "na doraz". :mrgreen:
T8B15035.png
Hyundai Bayon 1.2DPi 58kW - 2024

Bylo:
Captiva 2,2VCDi LTZ 135kW - 2012 (4x4 - 7míst)
Chevrolet Aveo 1,4 74kW - 2010
Hyundai Santamo 2,0i 102kW - 1999 (4x4 - 7míst)
Uživatelský avatar
18lukin18
Příspěvky: 6140
Registrován: pát led 14, 2011 13:06
Bydliště: Aachen

Re: 18lukin18 - Aveo a jeho úprava

Příspěvek od 18lukin18 »

Romane já vím ale su krátce v Brně,s prachama to tetka bylo na hov.. prostě jsem musel na doraz :? :? jsem si říkal že furt nesvítí tak to bude ok i když palubák ukazoval jen tři čárky
Škoda 120
Škoda Felicia LPG
Renault Thalia 1,2 16V 2009
Chevrolet Spark
Chevrolet Aveo 1,2 16V,2009 (člen AVEO FANCLUBU)
Mitsubishi Lancer X SportBack 1.8 MiVec Invite
Carthell Prg
Uživatelský avatar
18lukin18
Příspěvky: 6140
Registrován: pát led 14, 2011 13:06
Bydliště: Aachen

Re: 18lukin18 - Aveo a jeho úprava

Příspěvek od 18lukin18 »

Tak jsem dneska ráno opláchl auto a ono co se nestalo,začalo tetka pršet :mrgreen: To sem zase nas.... :twisted: :lol:
Škoda 120
Škoda Felicia LPG
Renault Thalia 1,2 16V 2009
Chevrolet Spark
Chevrolet Aveo 1,2 16V,2009 (člen AVEO FANCLUBU)
Mitsubishi Lancer X SportBack 1.8 MiVec Invite
Carthell Prg
Uživatelský avatar
frezzi
Příspěvky: 1576
Registrován: pon říj 08, 2012 17:10
Bydliště: Slovensko

Re: 18lukin18 - Aveo a jeho úprava

Příspěvek od frezzi »

jo mne sa to stáva pravidelne :mrgreen: :twisted: vždy ked sa autu venujem celý deň tak večer začne pršať a to ma vždy tak neskutočne na.... :twisted: -P
Aveo 1.4 16V 69Kw, sedan Šedá Metalíza -
výbava : čím ďalej tým lepšia :D
Odpovědět

Zpět na „Aveo - Club Cars - Auta členů“