Led denne svietenie
Moderátoři: Blue Lanos, Scorpion.11, lomngi
Re: Led denne svietenie
X4 je konektor, z kterého lezou světla. Tam by to šlo odpojit těmi relátky... Další modifikaci BCM neznám, leda ji kuchnout a kouknout se dovnitř. 
Mitsubishi Lancer Sportsedan 1,6 MIVEC
Ex. Cruze, Kalos, Nexia
--------------------------------------
Ex. Cruze, Kalos, Nexia
--------------------------------------
- Reklama
Re: Led denne svietenie
lenže ak tam ten vodič nemá, tak touto cestou že sa to ukostrí to pojde 
Aveo 1.4 16V 69Kw, sedan Šedá Metalíza -
výbava : čím ďalej tým lepšia :D
výbava : čím ďalej tým lepšia :D
Re: Led denne svietenie
Teraž už viem o čom sa bavíme,aj to viem rozobrať 
X1 pin 11 vylučujem! Viď. foto.
X1 pin 11 vylučujem! Viď. foto.
Chevrolet AVEO LT, 1.2 63kW,2012 Borocay Blue
...v koži od MAD, DRL, kamera ... a ešte nie je koniec :)
...v koži od MAD, DRL, kamera ... a ešte nie je koniec :)
Re: Led denne svietenie
A co koupit jinou BCM s PINem č.11. ?
http://www.ebay.com/itm/BODY-CONTROL-MO ... a5&vxp=mtr

Boeing přijeď na Olšovec, já vezmu kladívko a to DRL ti zhasnu.
http://www.ebay.com/itm/BODY-CONTROL-MO ... a5&vxp=mtr
Boeing přijeď na Olšovec, já vezmu kladívko a to DRL ti zhasnu.
Hyundai Bayon 1.2DPi 58kW - 2024
Bylo:
Captiva 2,2VCDi LTZ 135kW - 2012 (4x4 - 7míst)
Chevrolet Aveo 1,4 74kW - 2010
Hyundai Santamo 2,0i 102kW - 1999 (4x4 - 7míst)
Bylo:
Captiva 2,2VCDi LTZ 135kW - 2012 (4x4 - 7míst)
Chevrolet Aveo 1,4 74kW - 2010
Hyundai Santamo 2,0i 102kW - 1999 (4x4 - 7míst)
Re: Led denne svietenie
Týmto spôsobom môžem kúpiť nové auto s DRL 
Chevrolet AVEO LT, 1.2 63kW,2012 Borocay Blue
...v koži od MAD, DRL, kamera ... a ešte nie je koniec :)
...v koži od MAD, DRL, kamera ... a ešte nie je koniec :)
Re: Led denne svietenie
Honza72 a môžeš pozrieť aj X4?honza72 píše:Tož chlopi, nevím. Já studoval dokumentaci k T300 mod. roku 2012. Tam je uvedeno, že X1 - 11 je to správné, co hledáme...
Inak moje auto bolo vyrobené v r.2011 !
20.12.2011 a kúpil som ho v júny 2012,tak všade mám uvedené r.v.2012,ale je to 2011!!!
Chevrolet AVEO LT, 1.2 63kW,2012 Borocay Blue
...v koži od MAD, DRL, kamera ... a ešte nie je koniec :)
...v koži od MAD, DRL, kamera ... a ešte nie je koniec :)
Re: Led denne svietenie
Tohle forum je sice na Holden Commodore, a anglicky moc neumím, ale ta jednotka BCM vypadá stejná. A pokud jsem dobře rozuměl popisu na prostřední části stránky tak DRL ovládá PIN 11. ale na konektoru X2!
http://www.carmodder.com/ve-factory-bod ... 14534.html
http://www.carmodder.com/ve-factory-bod ... 14534.html
Hyundai Bayon 1.2DPi 58kW - 2024
Bylo:
Captiva 2,2VCDi LTZ 135kW - 2012 (4x4 - 7míst)
Chevrolet Aveo 1,4 74kW - 2010
Hyundai Santamo 2,0i 102kW - 1999 (4x4 - 7míst)
Bylo:
Captiva 2,2VCDi LTZ 135kW - 2012 (4x4 - 7míst)
Chevrolet Aveo 1,4 74kW - 2010
Hyundai Santamo 2,0i 102kW - 1999 (4x4 - 7míst)
Re: Led denne svietenie
hm slidile vyzera to zaujimavo idem sa antoi pozeiť
aa Boeing X4 by nas zaujímal ak by sme to chceli všetko povypajať a zapojiť cez rele takže x4 nám moc nepomože
aa Boeing X4 by nas zaujímal ak by sme to chceli všetko povypajať a zapojiť cez rele takže x4 nám moc nepomože
Aveo 1.4 16V 69Kw, sedan Šedá Metalíza -
výbava : čím ďalej tým lepšia :D
výbava : čím ďalej tým lepšia :D
Re: Led denne svietenie
ako nato pozerám tak ten kábel by mal byť na X2 ako píše Slidil, svetlo zeleno-čierny 
Aveo 1.4 16V 69Kw, sedan Šedá Metalíza -
výbava : čím ďalej tým lepšia :D
výbava : čím ďalej tým lepšia :D
Re: Led denne svietenie
Ale veď to je to isté,čo som sem už pridal a poslal som ti aj do SS!
Keď som to mal otvorené,tak som porovnával káble podľa tohoto popisu a to,čo som videl. Nič nesedí.
Okrem toho pozri prvý obrázok na tej stránke. Ja mám prvý konektor X1 biely.
Ten chlapík,čo to tam pridal,mi to aj poslal.
Str.21
Keď som to mal otvorené,tak som porovnával káble podľa tohoto popisu a to,čo som videl. Nič nesedí.
Okrem toho pozri prvý obrázok na tej stránke. Ja mám prvý konektor X1 biely.
Ten chlapík,čo to tam pridal,mi to aj poslal.
Str.21
Chevrolet AVEO LT, 1.2 63kW,2012 Borocay Blue
...v koži od MAD, DRL, kamera ... a ešte nie je koniec :)
...v koži od MAD, DRL, kamera ... a ešte nie je koniec :)
Re: Led denne svietenie
X2 je na fotách /modrý konektor/ a vidieť aj PIN 11 ,že od neho nejde žiaden kábel.
Naposledy upravil(a) Boeing737 dne stř bře 04, 2015 02:01, celkem upraveno 1 x.
Chevrolet AVEO LT, 1.2 63kW,2012 Borocay Blue
...v koži od MAD, DRL, kamera ... a ešte nie je koniec :)
...v koži od MAD, DRL, kamera ... a ešte nie je koniec :)
Re: Led denne svietenie
ajeeje 
Aveo 1.4 16V 69Kw, sedan Šedá Metalíza -
výbava : čím ďalej tým lepšia :D
výbava : čím ďalej tým lepšia :D
Re: Led denne svietenie
A zo strany 16
Ten návod v AJ? Mám to preložiť,alebo vieš angl?
Ten návod v AJ? Mám to preložiť,alebo vieš angl?
Chevrolet AVEO LT, 1.2 63kW,2012 Borocay Blue
...v koži od MAD, DRL, kamera ... a ešte nie je koniec :)
...v koži od MAD, DRL, kamera ... a ešte nie je koniec :)
Re: Led denne svietenie
Inak je zaujímavé,že PIN 6 je zapnutý ako ostrekovač zadného okna, ktorý NEMÁM,lebo mám sedan a nie hatchback.honza72 píše:Tož chlopi, nevím. Já studoval dokumentaci k T300 mod. roku 2012. Tam je uvedeno, že X1 - 11 je to správné, co hledáme...
Chevrolet AVEO LT, 1.2 63kW,2012 Borocay Blue
...v koži od MAD, DRL, kamera ... a ešte nie je koniec :)
...v koži od MAD, DRL, kamera ... a ešte nie je koniec :)
Re: Led denne svietenie
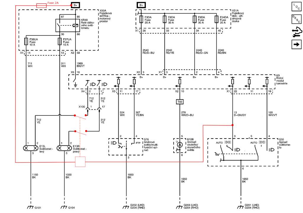
Ještě by to mohlo jít takhle: (černě je původní, červené by se muselo dodělat)
Je to sice plánek na Cruze 2011, ale BCM by mohla být stejná...
Pokud by se neotočil přepínač světel na "obrysovky" nebo na "tlumený" tak by bylo rele odpojené a do žárovek by se nedostalo napětí.
Je to sice plánek na Cruze 2011, ale BCM by mohla být stejná...
Pokud by se neotočil přepínač světel na "obrysovky" nebo na "tlumený" tak by bylo rele odpojené a do žárovek by se nedostalo napětí.
Hyundai Bayon 1.2DPi 58kW - 2024
Bylo:
Captiva 2,2VCDi LTZ 135kW - 2012 (4x4 - 7míst)
Chevrolet Aveo 1,4 74kW - 2010
Hyundai Santamo 2,0i 102kW - 1999 (4x4 - 7míst)
Bylo:
Captiva 2,2VCDi LTZ 135kW - 2012 (4x4 - 7míst)
Chevrolet Aveo 1,4 74kW - 2010
Hyundai Santamo 2,0i 102kW - 1999 (4x4 - 7míst)