Návod. - Montáž vnútorného osvetlenia.

Osvětlení, signalizace, audio, pojistky.

Moderátoři: Blue Lanos, Scorpion.11, lomngi

Uživatelský avatar
frezzi
Příspěvky: 1576
Registrován: pon říj 08, 2012 17:10
Bydliště: Slovensko

Re: Návod. - Montáž vnútorného osvetlenia.

Příspěvek od frezzi »

Tak tak nejak ako ty tych 6 az 10 sekund
,aby to nesvietilo dlho no ani kratko,no premyslal som ze ci by bolo mozne zobrat signal z.centralu a pripojit ho na.stmievac ze ked odomknem auto rozsvieti sa bolo by to mozne ?aby napriklad vecer ked odomknem auto tak sa v aute rozsvieti na cas ktory som si nastavil
Aveo 1.4 16V 69Kw, sedan Šedá Metalíza -
výbava : čím ďalej tým lepšia :D
Reklama
 

Servisman
Příspěvky: 79
Registrován: úte úno 10, 2009 22:41
Bydliště: Bratislava

Re: Návod. - Montáž vnútorného osvetlenia.

Příspěvek od Servisman »

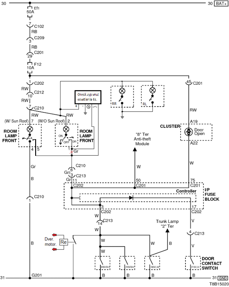
To je dobrý nápad šlo by to ale musí sa pridať relé ktorého spínacie kontakty sa paralelne pripoja na dverový spínač otvorených dverý a cievku relé zapojiť na nejaký motorček dverý.A ten odpor R3 oneskorovača treba zmeniť za iný s hodnotou cca 56KΩ.
Přílohy
T8B15020.png
Naposledy upravil(a) Servisman dne sob čer 27, 2015 17:51, celkem upraveno 1 x.
Chevrolet Orlando 1,8 16V 104KW r.v.2012
Chevrolet Aveo 1,2 16V 62KW r.v.2010 predané
Daewoo Espero 1,5 16V 66KW r.v.1996 predané
Škoda Felícia 1,3 50KW LPG post mortem
Škoda 105 LS 37KW post mortem
Uživatelský avatar
frezzi
Příspěvky: 1576
Registrován: pon říj 08, 2012 17:10
Bydliště: Slovensko

Re: Návod. - Montáž vnútorného osvetlenia.

Příspěvek od frezzi »

A nestacilo by zobrat signalovy vodic od motorceka (otvaraci)tak aby bol kladny a pripojit na plus oneskorovaca tak ze.ked odomknem dostane to kratky signal a svetlo sa rozsvieti ? Ale to musi byt tak ako hovoris a motorcek bude ovladat rele a to bude zopinat plus ku oneskorovaci .....? :PP:
Aveo 1.4 16V 69Kw, sedan Šedá Metalíza -
výbava : čím ďalej tým lepšia :D
Servisman
Příspěvky: 79
Registrován: úte úno 10, 2009 22:41
Bydliště: Bratislava

Re: Návod. - Montáž vnútorného osvetlenia.

Příspěvek od Servisman »

Upravil som svoj predchádzajúci príspevok lebo som tam mal fatálnu chybu .Musí sa to ovládať buď kontaktmi relátka alebo centrálom na diaľkové ktorý má viac výstupov ako dva.
Chevrolet Orlando 1,8 16V 104KW r.v.2012
Chevrolet Aveo 1,2 16V 62KW r.v.2010 predané
Daewoo Espero 1,5 16V 66KW r.v.1996 predané
Škoda Felícia 1,3 50KW LPG post mortem
Škoda 105 LS 37KW post mortem
Uživatelský avatar
frezzi
Příspěvky: 1576
Registrován: pon říj 08, 2012 17:10
Bydliště: Slovensko

Re: Návod. - Montáž vnútorného osvetlenia.

Příspěvek od frezzi »

tákže zakupené a dneska namontované :mrgreen: ....funguje to ozaj super , a dokonca nemám ani problem s neúplým zhasením LEDiek, asi preto že ich tam toľko mám :lol: :lol: ..aj bez prídavneho odporu zhasnú úplne ,no uvidíme v noci .....jedine čo je tak namiesto R3 som kupil potenciomometer a hodnote 100K a tým si možem ľubovoľne nastavovať čas, teraz to mám na nejakých 7s no uvidíme praxou či to bude málo alebo veľa -i tu je foto pri skuške zapojenia, finálne to je samozrejme všetko zaizolované a pekne skryté :PP:
Přílohy
11713381_10203870010263897_1848950668_n.jpg
Aveo 1.4 16V 69Kw, sedan Šedá Metalíza -
výbava : čím ďalej tým lepšia :D
Servisman
Příspěvky: 79
Registrován: úte úno 10, 2009 22:41
Bydliště: Bratislava

Re: Návod. - Montáž vnútorného osvetlenia.

Příspěvek od Servisman »

Chválim. :D :D :PP: :PP:
Chevrolet Orlando 1,8 16V 104KW r.v.2012
Chevrolet Aveo 1,2 16V 62KW r.v.2010 predané
Daewoo Espero 1,5 16V 66KW r.v.1996 predané
Škoda Felícia 1,3 50KW LPG post mortem
Škoda 105 LS 37KW post mortem
Uživatelský avatar
frezzi
Příspěvky: 1576
Registrován: pon říj 08, 2012 17:10
Bydliště: Slovensko

Re: Návod. - Montáž vnútorného osvetlenia.

Příspěvek od frezzi »

Dakujem :PP: 7s jr presne tak akurat kym sa clovek zapne pasom a pocka kym zhasnu kontrolky,no v stredovom panele mam 2 ledky ktore ostanu svietik tak tam hodim kus led pasiku a a bude pokoj :PP:
Aveo 1.4 16V 69Kw, sedan Šedá Metalíza -
výbava : čím ďalej tým lepšia :D
Odpovědět

Zpět na „Aveo - Elektronika“